公司简介  | 产品介绍  | 转接器  | 电缆一览表  | 联系我们            

景德镇市星通电子科技有限公司

地 址:

景德镇市高新区中航路1号

电 话:

0798-8338726

传 真:

0798-8588716

邮 编:

333000

E-MAIL:

JYH8660@163.com

 

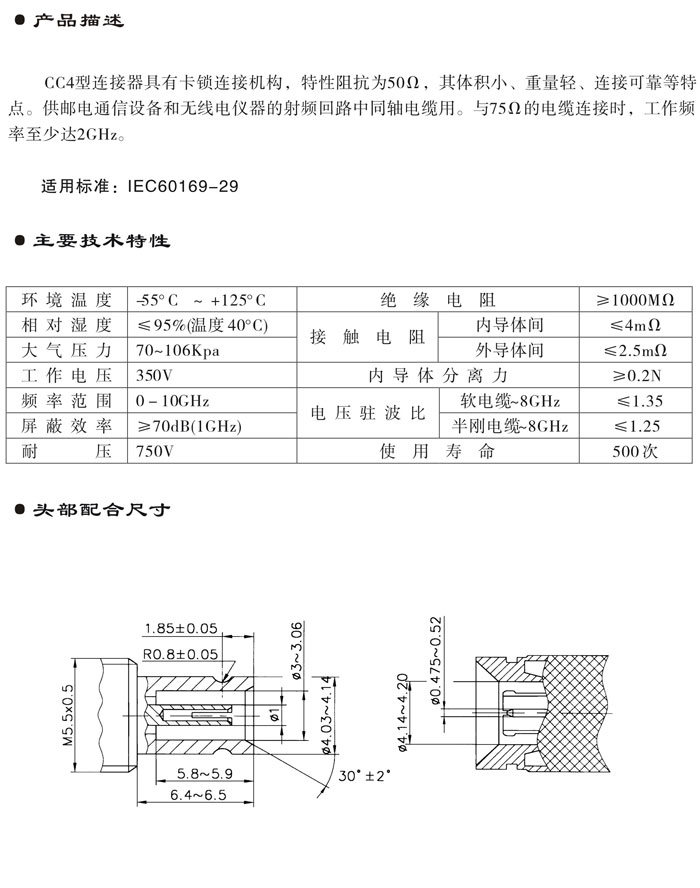
CC4(1.0/2.3)型射频同轴连接器

2009-2012 © 景德镇市星通电子科技有限公司 版权所有